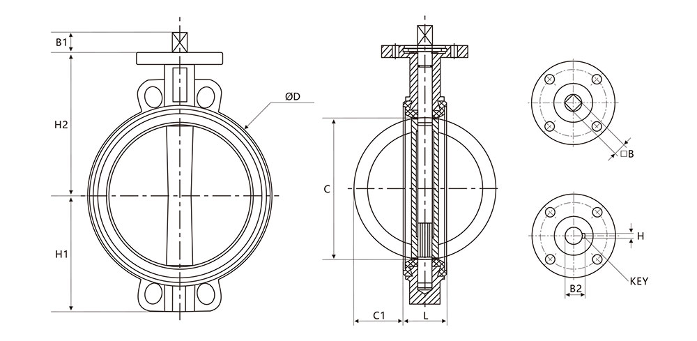
i-Tork電動防爆蝶閥是由防爆電動執行器和蝶閥組成,輸入特定電源即可進行開關量的操作,也可以內置伺服模塊,輸入控制信號和單相電源即可控制調節量的操作,可控制閥門任意位置的啟閉。防爆型電動蝶閥具有功能強、體積小、性能可靠、配套簡單、流通能力大,特別適用于介質是粘稠,含顆粒、纖維性質的場合。可廣泛應用于食品、環保、輕工、化工、教學設備、造紙、電力等行業的過程自動控制系統中。
i-Tork電動防爆蝶閥執行器產品細節
1、外部機械限位螺栓
在電子限位開關失靈的情況下,防止執行器超行程運行。電纜接口:標準2個PF3/4(最大1)
2、扭矩開關
過載保護,開/關各1個
3、接線端子
彈簧鎖緊型,接線牢固,在強振動環境中也不會脫落
i-Tork電動防爆蝶閥執行器產品特點
1、體積小 重量輕占空比高。
2、與行星齒輪相結合,效率高。
3、適用于開關型小型球閥/旋塞閥和擋板自動化控制。
4、電機特殊設計的感應電機,啟動扭矩高,有過熱保護。
